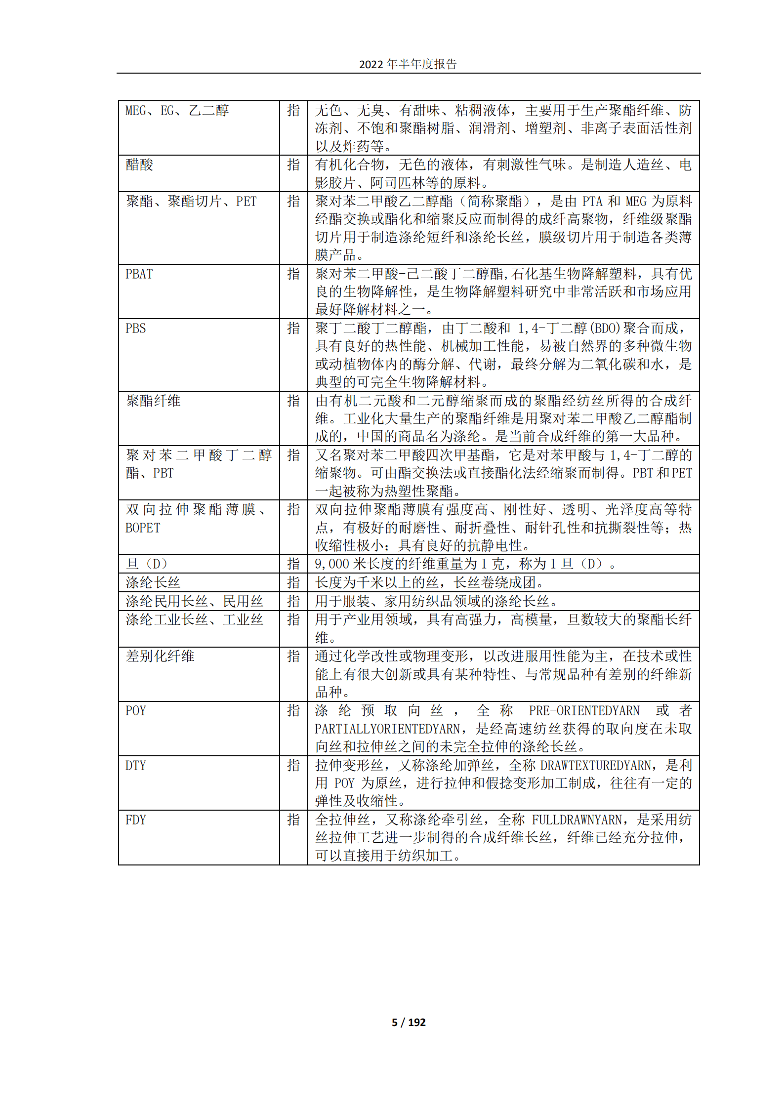
普通用户
登录
首页
高级搜索
行业研究
公司研究
招股说明书
充值积分
上传文件
文库
专题研究
创业投资
恒力石化股份有限公司2022年半年度报告.PDF
192页
2022-09-13
25
收藏0
喜欢0
评分-
10积分
温馨提示:当前文档最多只能预览 10 页,若文档总页数超出了 5 页,请下载原文档以浏览全部内容。
剩余182页未读,
下载浏览全部
收藏
已收藏
喜欢
已喜欢
文档描述
恒力石化股份有限公司2022年半年度报告(192页).PDF
下载提示
1123131
问鼎研究
这个人很懒,什么都没留下
个人认证
查看用户
该文档于
上传
推荐文档
中商产业研究院:2023年中国工业机器人行业市场前景及投资研究报告(简版)
IT桔子:2023年Q1中国新经济创业投资数据分析报告
美柏资本:2023全球医美产业研究及投资机会
歌斐资产&招商证券:中国私募证券投资基金运营白皮书
中国保险资产管理业协会:保险资金ESG投资发展研究报告
高力国际:2023年全球投资者展望——应对重新校准后的全球房地产市场
面向电网用户、新能源企业及储能投资运营商的新型储能机制发展
中商产业研究院:2023年中国氢燃料电池汽车行业市场前景及投资研究报告(简版)
有色金属行业深度研究:黄金行业迎来“黄金投资周期”
房地产行业2023年度投资策略:底部涅槃,曙光渐进
最新文档
中商产业研究院:2023年中国工程机械行业市场前景及投资研究报告(简版)
武大首届珞珈半导体学术论坛:半导体行业的投资逻辑与主要赛道
毕马威:2023年第一季度全球风险投资报告【英文版】
头豹研究院:2022年中国光伏组件细分领域投资概览:硅价回落,静待行业盈利恢复(摘要版)
2022年中国光伏组件细分领域投资概览:硅价回落,静待行业盈利恢复(摘要版)
社服2023年投资策略:春暖花开,挖掘α与β共振下的机会
啤酒行业2023年投资机会分析:旺季临近,啤酒扬帆起航
国金证券:数据分析服务行业投资指南
电子行业深度报告:半导体布局正当时,关注三大投资主线
机械设备行业:四条思路,梳理“中特估”机械央国企投资机会-设备央国企,吹响集结号