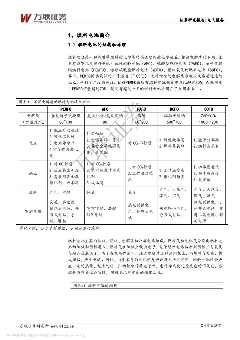
普通用户
登录
首页
高级搜索
行业研究
公司研究
招股说明书
充值积分
上传文件
文库
环保/能源
电池
燃料电池行业投资策略报告之三:国产化进程加快,补贴有望向上游零部件靠拢.pdf
33页
2022-08-03
25
收藏0
喜欢0
评分-
10积分
温馨提示:当前文档最多只能预览 10 页,若文档总页数超出了 5 页,请下载原文档以浏览全部内容。
剩余23页未读,
下载浏览全部
收藏
已收藏
喜欢
已喜欢
文档描述
燃料电池行业投资策略报告之三:国产化进程加快,补贴有望向上游零部件靠拢.pdf
下载提示
1123131
精研文档
精研文档
未认证用户
查看用户
该文档于
上传
推荐文档
中国银河:固态电池深度报告:群雄逐鹿锂电终局技术,发力新材料加速产业化
势银:燃料电池检测产业蓝皮书(2023)
MIRAE ASSET:2022年全球动力电池展望-产能扩张与成本创新
发现报告:2023年动力电池行业研究报告
势银:2022势银氢能与燃料电池产业年会会后报告
中汽中心:新能源汽车动力电池技术未来展望
头豹研究院:2022年中国氢能行业白皮书:发展燃料电池,助力氢能社会
光伏行业2023年度策略:成本拐点,把握盈利变化和新电池技术变革两条主线
亿渡数据:中国氢燃料电池行业短报告
新兴光伏电池行业:龙头引领下的量产元年,N型向左,P型向右-220804.pdf
最新文档
甲子光年:2023新能源电池材料发展概览报告
固态电池行业深度:千呼万唤始出来,犹抱琵琶半遮面
2023年钒液流电池产业研究报告
46系大圆柱电池行业深度报告:46系大圆柱电池阵营逐渐壮大,预镀镍需求提速
氢能&燃料电池行业产业链系列报告之十四:氢储运短中长期发展推演,气、液、管道逐步过渡
川财证券:固态电池深度报告:产业化提速,未来可期
锐仕方达:2023年锂电池行业人才趋势洞察
头豹:液流电池行业研究报告
固态电池深度报告:群雄逐鹿锂电终局技术,发力新材料加速产业化
钙钛矿太阳能电池行业深度研究报告